Snap-In Vent Plug
Product Technical Data Sheet
|
PRODUCT NAME : |
Snap-In Vent Plug |
|
PRODUCT MODEL : |
ZZPIP-Vent Plug_D17_E20WO |
|
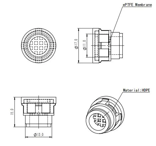
PRODUCT DIAGRAM : |
|
|
MEMBRANE MODEL : |
ZZPIP-E20WO |
|
APPLICATION FEILD: |
Chemicals Packaging |
|
APPLICATION CHEMICAL: |
Bleacher, Disinfectant, Amino Acid, Agrochemicals, Liquid Fertilizer |



Product Properties
|
PHYSICAL PROPERTIES |
REFERED TEST STANDARD |
UNIT |
TYPICAL DATA |
|
Plug Material |
/ |
/ |
HDPE |
|
Plug Color |
/ |
/ |
White |
|
Membrane Construction |
/ |
/ |
PTFE/PO non-woven |
|
Membrane Surface Property |
/ |
/ |
Oleophobic & Hydrophobic |
|
Typical Air Flow Rate |
ASTM D737 (测试面积:1cm²) |
ml/min @ 7KPa |
1200 |
|
Water Entry Pressure |
ASTM D751 (测试面积:1cm²) |
KPa dwell 30 sec |
≥70 |
|
IP Grade |
IEC 60529 |
/ |
IP67/IP68 |
|
Moisture Vapor Transmission |
ASTM E96 |
g/m2/24h |
>5000 |
|
Oleophobic Grade |
AATCC 118 |
Grade |
≥7 |
|
Service Temperature |
IEC 60068-2-14 |
℃ |
-40℃ ~ 125℃ |
|
ROHS |
IEC 62321 |
/ |
Meet ROHS Requirements |
|
PFOA & PFOS |
US EPA 3550C & US EPA 8321B |
/ |
PFOA & PFOS Free |
Application
The vent plugs can be used in breathable cap products for chemicals packaging containers, and be suitable for High-concentration Hazardous Chemicals, Low-concentration Household Chemicals, Agricultural Chemicals and other Special Chemicals.
Shelf Life:
Shelf life is two years from the date of receipt for this product as long as this product is stored in its original packaging in an environment below 80° F (27° C) and 60% RH.
Note: All data above are typical data for the membrane raw material, for reference only, and should not be used as special data for outgoing quality control.
All technical information and advice given here is based on Zzpip previous experiences and test results. Zzpip gives this information to the best of its knowledge, but assumes no legal responsibility. Customers are asked to check the suitability and usability in the specific application, since the performance of the product can only be judged when all necessary operating data are available.



















